About testing
Here you can read articles about test methods for rubber and plastic as well as other test methods.
I think many would like to say yes on that question. Personally, I would reply no without doubt. But sure, they can be slow to read and sometimes they can feel outdated and mossy. But we need them.
We are many, especially here in Sweden, who long for the sun a large part of the year. The sun gives wonderful light and heat but can in fact also harm us in the form of its ultraviolet radiation (UV radiation).
The preparation of the test pieces is an extremely important part of the testing itself and it must not be the case that the test results reflect the effects of the preparation rather than the properties of the materials being tested.
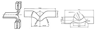
The tear strength of a material is a compound property of the force require to initiate a tear in the material and the force required to propagate the tear. Tear tests are performed similarly to common tensile tests for rubber.
Tension set can be used either with constant strain (here called method A) or constant load (method B), meaning you either keep it at a certain elongation for a set duration or use a certain weight.
The most readily accessible method for the determination of the resistance of rubber to abrasion is to use an abrasive wear tester, where a rubber piece is mounted under a weight and exposed to a rotating drum with an abrasive sheet for a fixed distance.
Compression set is a test method that is often used for short durations to study how much of its elastic properties an elastomeric material can retain after strain in heat. It is often used to investigate how well vulcanized a material is, due to its relatively fast and easy procedure.
Read more: Testing of Compression Set (at elevated temperatures)








